ΦΙΛΤΡΟ ΒΕΝΖΙΝΗΣ | 69J-24501-10
search
  • ΦΙΛΤΡΟ ΒΕΝΖΙΝΗΣ | 69J-24501-10
  • ΦΙΛΤΡΟ ΒΕΝΖΙΝΗΣ | 69J-24501-10

ΦΙΛΤΡΟ ΒΕΝΖΙΝΗΣ | 69J-24501-10

50,00 €
με ΦΠΑ Ετοιμοπαραδοτο

Απόθεμα: 1 τεμάχια

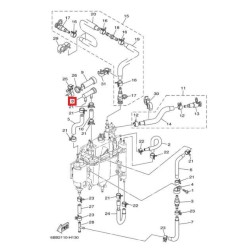
Κωδικος YAMAHA : 69J-24501-10 / ΚΩΔΙΚΟΣ ΝΟ.10 ΣΤΟ ΣΧΕΔΙΟ

Σημειο Εφαρμογης: ΣΥΣΤΗΜΑ ΚΑΥΣΙΜΟΥ

Κατασταση : ΚΑΙΝΟΥΡΓΙΟ

Χωρα Προελευσης : ΙΑΠΩΝΙΑ

Κατασκευαστης : YAMAHA MARINE

Ποσότητα
Εκτός αποθέματος: Τελευταία προϊόντα σε απόθεμα

  Security policy

(edit with the Customer Reassurance module)

  Delivery policy

(edit with the Customer Reassurance module)

  Return policy

(edit with the Customer Reassurance module)

εφαρμοζει στα παρακατω YAMAHA μοντέλα/κινητηρες:

* F250 / F225

* FL250 / FL225

* F200

* FL200

* F150

* FL150

* F130

YAMAHA MARINE
69J-24501-10
1 Αντικείμενο