ΔΩΡΕΑΝ Μεταφορικά για Παραγγελίες άνω των 100€

Τηλεφωνήστε μας: +30 698 196 0107
Γλώσσα:
  • English
  • ελληνικά
 Σύνδεση
shopping_cart Καλάθι: (0)

Boat Spare Parts
  •   Εξωλεμβιες Μηχανες
    •   SUZUKI MARINE
      •   DF350A/DF325A/DF300B (18-20)
        • ΑΝΑΛΩΣΙΜΑ ΑΝΤΑΛΛΑΚΤΙΚΑ (DF350/DF325/DF300B)
        • ΔΙΑΦΟΡΑ ΑΝΤΑΛΛΑΚΤΙΚΑ (DF350/DF325/DF300B)
        • ΚΥΛΙΝΔΡΟΚΕΦΑΛΗ
        • ΜΠΛΟΚ
        • ΣΤΡΟΦΑΛΟΣ
        • ΚΑΔΕΝΑ ΕΚΚΕΝΤΡΟΦΟΡΟΥ
        • ΕΚΚΕΝΤΡΟΦΟΡΟΣ
        • ΕΙΣΑΓΩΓΗ
        • ΚΑΛΥΜΜΑ ΒΟΛΑΝ
        • ΕΞΑΓΩΓΗ
        • ΜΠΕΚΙΕΡΑ
        • ΔΟΧΕΙΟ ΚΑΥΣΙΜΟΥ / ΑΝΤΛΙΑΣ
        • ΑΝΤΛΙΑ ΝΕΡΟΥ
        • ΘΕΡΜΟΣΤΑΤΗΣ
        • ΠΕΤΑΛΟΥΔΑ ΓΚΑΖΙΟΥ
        • ΑΝΤΛΙΑ ΛΑΔΙΟΥ
        • ΚΑΡΤΕΡ
        • ΑΞΟΝΑΣ ΤΑΧΥΤΗΤΩΝ
        • ΡΑΒΔΟΣ ΤΑΧΥΤΗΤΩΝ
        • ΣΑΣΜΑΝ / ΓΡΑΝΑΖΙΑ
        • ΜΙΖΑ
        • ΒΟΛΑΝ / ΠΗΝΙΟ
        • ΑΝΟΡΘΩΤΗΣ / ΜΠΟΥΖΟΠΙΠΕΣ
        • ΑΙΣΘΗΤΗΡΕΣ
        • ΠΛΕΞΟΥΔΑ
        • ΡΕΛΕ ΤΡΙΜ / ΕΓΚΕΦΑΛΟΣ (ECU)
        • ΣΗΣΤΗΜΑ KEY LESS
        • ΜΠΡΑΚΕΤΟ
        • ΚΟΛΩΝΑ ΤΙΜΟΝΙΟΥ
        • ΤΡΙΜ
        • ΜΟΤΕΡ ΤΡΙΜ
        • ΠΛΑΚΑ ΜΠΛΟΚ
        • ΦΩΛΙΑ ΠΟΔΙΟΥ / ΑΞΟΝΑ (X)
        • ΦΩΛΙΑ ΠΟΔΙΟΥ / ΑΞΟΝΑ (XX)
        • ΚΕΛΥΦΟΣ ΠΟΔΙΟΥ
        • ΠΛΑΙΝΑ ΠΛΑΣΤΙΚΑ / ΛΕΚΑΝΗ
        • ΠΡΟΣΤΑΤΕΥΤΙΚΟ ΚΑΠΑΚΙ ΜΗΧΑΝΗΣ
        • ΠΟΥΑΡ ΒΕΝΖΙΝΗΣ
        • ΧΕΙΡΙΣΤΗΡΙΟ (ΠΛΑΙΝΟ)
        • ΠΛΕΞΟΥΔΑ (ΠΡΟΑΙΡΕΤΙΚΑ 1)
        • ΠΛΕΞΟΥΔΑ (ΠΡΟΑΙΡΕΤΙΚΑ 2)
        • ΔΙΑΚΟΠΤΕΣ (ΠΡΟΑΙΡΕΤΙΚΑ)
        • ΣΗΣΤΗΜΑ KEY LESS (ΠΡΟΑΙΡΕΤΙΚΑ)
        • ΧΕΙΡΙΣΤΗΡΙΟ ΔΙΠΛΟ (ΠΡΟΑΙΡΕΤΙΚΑ)
        • ΧΕΙΡΙΣΤΗΡΙΟ ΜΟΝΟ
        • ΦΛΑΝΤΖΕΣ ΣΕΤ
        • ΟΡΓΑΝΑ ΜΗΧΑΝΗΣ
        • ΟΡΓΑΝΑ ΜΗΧΑΝΗΣ (ΠΡΟΑΙΡΕΤΙΚΑ)
      •   DF300AP/DF250AP
        • ΑΝΑΛΩΣΙΜΑ ΑΝΤΑΛΛΑΚΤΙΚΑ (DF300AP / DF250AP)
        • ΔΙΑΦΟΡΑ ΑΝΤΑΛΛΑΚΤΙΚΑ (DF300AP / DF250AP)
        • ΚΥΛΙΝΔΡΟΚΕΦΑΛΗ
        • ΜΠΛΟΚ
        • ΚΑΛΥΜΜΑ ΒΟΛΑΝ (2016-2023)
        • ΚΑΛΥΜΜΑ ΒΟΛΑΝ (2012-2016)
        • ΣΤΡΟΦΑΛΟΣ
        • ΚΑΔΕΝΑ ΕΚΚΕΝΤΡΟΦΟΡΟΥ
        • ΕΚΚΕΝΤΡΟΦΟΡΟΣ
        • ΕΙΣΑΓΩΓΗ
        • ΚΑΠΑΚΙ ΕΞΑΓΩΓΗΣ
        • ΜΠΕΚΙΕΡΑ (2016-2023)
        • ΜΠΕΚΙΕΡΑ (2012-2015)
        • ΔΟΧΕΙΟ ΚΑΥΣΙΜΟΥ / ΑΝΤΛΙΑΣ (2019-2023)
        • ΔΟΧΕΙΟ ΚΑΥΣΙΜΟΥ / ΑΝΤΛΙΑΣ (2015)
        • ΔΟΧΕΙΟ ΚΑΥΣΙΜΟΥ / ΑΝΤΛΙΑΣ (2012-2014)
        • ΑΝΤΛΙΑ ΝΕΡΟΥ
        • ΘΕΡΜΟΣΤΑΤΗΣ
        • ΠΕΤΑΛΟΥΔΑ ΓΚΑΖΙΟΥ
        • ΑΝΤΛΙΑ ΛΑΔΙΟΥ
        • ΚΑΡΤΕΡ
        • ΑΞΟΝΑΣ ΤΑΧΥΤΗΤΩΝ
        • ΡΑΒΔΟΣ ΤΑΧΥΤΗΤΩΝ
        • ΣΑΣΜΑΝ / ΓΡΑΝΑΖΙΑ
        • ΜΙΖΑ
        • ΒΟΛΑΝ / ΠΗΝΙΟ
        • ΑΝΟΡΘΩΤΗΣ / ΜΠΟΥΖΟΠΙΠΕΣ
        • ΑΙΣΘΗΤΗΡΕΣ (L)
        • ΑΙΣΘΗΤΗΡΕΣ (XX)
        • ΠΛΕΞΟΥΔΑ
        • ΠΛΕΞΟΥΔΑ (1)
        • ΠΛΕΞΟΥΔΑ (2)
        • ΡΕΛΕ ΤΡΙΜ / ΕΓΚΕΦΑΛΟΣ (ECU)
        • ΣΗΣΤΗΜΑ KEY LESS
        • ΜΠΡΑΚΕΤΟ
        • ΜΠΡΑΚΕΤΟ
        • ΚΟΛΩΝΑ ΤΙΜΟΝΙΟΥ (XX)
        • ΚΟΛΩΝΑ ΤΙΜΟΝΙΟΥ (L)
        • ΤΡΙΜ (XX)
        • ΤΡΙΜ (L)
        • ΜΟΤΕΡ ΤΡΙΜ (XX)
        • ΜΟΤΕΡ ΤΡΙΜ (L)
        • ΠΛΑΚΑ ΜΠΛΟΚ
        • ΦΩΛΙΑ ΠΟΔΙΟΥ / ΑΞΟΝΑ (XX)
        • ΦΩΛΙΑ ΠΟΔΙΟΥ / ΑΞΟΝΑ (X)
        • ΦΩΛΙΑ ΠΟΔΙΟΥ / ΑΞΟΝΑ (L)
        • ΚΕΛΥΦΟΣ ΠΟΔΙΟΥ
        • ΠΛΑΙΝΑ ΠΛΑΣΤΙΚΑ / ΛΕΚΑΝΗ (L)
        • ΠΛΑΙΝΑ ΠΛΑΣΤΙΚΑ / ΛΕΚΑΝΗ (XX)
        • ΠΡΟΣΤΑΤΕΥΤΙΚΟ ΚΑΠΑΚΙ ΜΗΧΑΝΗΣ
        • ΠΟΥΑΡ ΒΕΝΖΙΝΗΣ
        • ΧΕΙΡΙΣΤΗΡΙΟ (ΠΛΑΙΝΟ)
        • ΠΛΕΞΟΥΔΑ (ΠΡΟΑΙΡΕΤΙΚΑ 1)
        • ΠΛΕΞΟΥΔΑ (ΠΡΟΑΙΡΕΤΙΚΑ 2)
        • ΔΙΑΚΟΠΤΕΣ (ΠΡΟΑΙΡΕΤΙΚΑ)
        • ΣΗΣΤΗΜΑ KEY LESS (ΠΡΟΑΙΡΕΤΙΚΑ)
        • ΧΕΙΡΙΣΤΗΡΙΟ ΔΙΠΛΟ (ΠΡΟΑΙΡΕΤΙΚΑ)
        • ΧΕΙΡΙΣΤΗΡΙΟ ΜΟΝΟ
        • ΦΛΑΝΤΖΕΣ ΣΕΤ
        • ΟΡΓΑΝΑ ΜΗΧΑΝΗΣ
        • ΟΡΓΑΝΑ ΜΗΧΑΝΗΣ (ΠΡΟΑΙΡΕΤΙΚΑ)
      •   DF300
        • ΑΝΑΛΩΣΙΜΑ ΑΝΤΑΛΛΑΚΤΙΚΑ (DF300)
        • ΔΙΑΦΟΡΑ ΑΝΤΑΛΛΑΚΤΙΚΑ (DF300)
        • ΚΥΛΙΝΔΡΟΚΕΦΑΛΗ
        • ΜΠΛΟΚ
        • ΚΑΛΥΜΜΑ ΒΟΛΑΝ
        • ΣΤΡΟΦΑΛΟΣ
        • ΚΑΔΕΝΑ ΕΚΚΕΝΤΡΟΦΟΡΟΥ
        • ΕΚΚΕΝΤΡΟΦΟΡΟΣ
        • ΕΙΣΑΓΩΓΗ
        • ΚΑΠΑΚΙ ΕΞΑΓΩΓΗΣ
        • ΔΟΧΕΙΟ ΚΑΥΣΙΜΟΥ / ΑΝΤΛΙΑΣ (2007-2008)
        • ΔΟΧΕΙΟ ΚΑΥΣΙΜΟΥ / ΑΝΤΛΙΑΣ (2009-2011)
        • ΜΠΕΚΙΕΡΑ
        • ΑΝΤΛΙΑ ΝΕΡΟΥ
        • ΘΕΡΜΟΣΤΑΤΗΣ
        • ΠΕΤΑΛΟΥΔΑ ΓΚΑΖΙΟΥ
        • ΑΝΤΛΙΑ ΛΑΔΙΟΥ
        • ΚΑΡΤΕΡ
        • ΑΞΟΝΑΣ ΤΑΧΥΤΗΤΩΝ
        • ΡΑΒΔΟΣ ΤΑΧΥΤΗΤΩΝ (ΔΕΞΙΟΣΤΡΟΦΟ)
        • ΑΞΟΝΑΣ ΤΑΧΥΤΗΤΩΝ (ΑΡΙΣΤΕΡΟΣΤΡΟΦΟ)
        • ΣΑΣΜΑΝ / ΓΡΑΝΑΖΙΑ (ΔΕΞΙΟΣΤΡΟΦΟ)
        • ΣΑΣΜΑΝ / ΓΡΑΝΑΖΙΑ (ΑΡΙΣΤΕΡΟΣΤΡΟΦΟ)
        • ΜΙΖΑ
        • ΒΟΛΑΝ / ΠΗΝΙΟ
        • ΑΝΟΡΘΩΤΗΣ / ΜΠΟΥΖΟΠΙΠΕΣ
        • ΑΙΣΘΗΤΗΡΕΣ
        • ΠΛΕΞΟΥΔΑ
        • ΡΕΛΕ ΤΡΙΜ / ΕΓΚΕΦΑΛΟΣ (ECU)
        • ΜΠΡΑΚΕΤΟ
        • ΚΟΛΩΝΑ ΤΙΜΟΝΙΟΥ
        • ΤΡΙΜ
        • ΜΟΤΕΡ ΤΡΙΜ
        • ΠΛΑΚΑ ΜΠΛΟΚ
        • ΦΩΛΙΑ ΠΟΔΙΟΥ / ΑΞΟΝΑ
        • ΚΕΛΥΦΟΣ ΠΟΔΙΟΥ (ΔΕΞΙΟΣΤΡΟΦΟ)
        • ΣΑΣΜΑΝ / ΓΡΑΝΑΖΙΑ (ΑΡΙΣΤΕΡΟΣΤΡΟΦΟ)
        • ΠΛΑΙΝΑ ΠΛΑΣΤΙΚΑ / ΛΕΚΑΝΗ
        • ΠΡΟΣΤΑΤΕΥΤΙΚΟ ΚΑΠΑΚΙ ΜΗΧΑΝΗΣ (2010 ΚΑΙ ΜΕΤΑ)
        • ΠΡΟΣΤΑΤΕΥΤΙΚΟ ΚΑΠΑΚΙ ΜΗΧΑΝΗΣ (2007-2009)
        • ΠΟΥΑΡ ΒΕΝΖΙΝΗΣ
        • ΟΡΓΑΝΑ ΜΗΧΑΝΗΣ (ΠΡΟΑΙΡΕΤΙΚΑ)
        • ΠΛΕΞΟΥΔΑ (ΠΡΟΑΙΡΕΤΙΚΑ)
        • ΔΙΑΚΟΠΤΕΣ (ΠΡΟΑΙΡΕΤΙΚΑ)
        • ΧΕΙΡΙΣΤΗΡΙΟ ΜΟΝΟ
        • ΧΕΙΡΙΣΤΗΡΙΟ ΔΙΠΛΟ (ΠΡΟΑΙΡΕΤΙΚΑ)
        • ΧΕΙΡΙΣΤΗΡΙΟ (ΠΛΑΙΝΟ)
        • ΦΛΑΝΤΖΕΣ ΣΕΤ
      •   DF250/DF225/DF200 (04-14)
        • ΑΝΑΛΩΣΙΜΑ ΑΝΤΑΛΛΑΚΤΙΚΑ (DF250/DF225/DF200)
        • ΔΙΑΦΟΡΑ ΑΝΤΑΛΛΑΚΤΙΚΑ (DF250/DF225/DF200)
        • ΤΡΙΜ (L)
        • ΣΑΣΜΑΝ / ΓΡΑΝΑΖΙΑ
        • ΚΥΛΙΝΔΡΟΚΕΦΑΛΗ
        • ΜΠΛΟΚ
        • ΣΤΡΟΦΑΛΟΣ
        • ΚΑΔΕΝΑ ΕΚΚΕΝΤΡΟΦΟΡΟΥ
        • ΕΚΚΕΝΤΡΟΦΟΡΟΣ (DF250)
        • ΕΚΚΕΝΤΡΟΦΟΡΟΣ (DF225 - DF200)
        • ΕΙΣΑΓΩΓΗ
        • ΦΙΛΤΡΟΚΟΥΤΙ
        • ΚΑΛΥΜΜΑ ΒΟΛΑΝ
        • ΚΑΠΑΚΙ ΕΞΑΓΩΓΗΣ
        • ΜΠΕΚΙΕΡΑ
        • ΔΟΧΕΙΟ ΚΑΥΣΙΜΟΥ / ΑΝΤΛΙΑΣ (1)
        • ΔΟΧΕΙΟ ΚΑΥΣΙΜΟΥ / ΑΝΤΛΙΑΣ (2)
        • ΑΝΤΛΙΑ ΝΕΡΟΥ
        • ΘΕΡΜΟΣΤΑΤΗΣ
        • ΠΕΤΑΛΟΥΔΑ ΓΚΑΖΙΟΥ (DF200)
        • ΠΕΤΑΛΟΥΔΑ ΓΚΑΖΙΟΥ (DF250-DF225)
        • ΝΤΙΖΕΣ ΓΚΑΖΙΟΥ
        • ΑΝΤΛΙΑ ΛΑΔΙΟΥ
        • ΚΑΡΤΕΡ
        • ΑΞΟΝΑΣ ΤΑΧΥΤΗΤΩΝ
        • ΡΑΒΔΟΣ ΤΑΧΥΤΗΤΩΝ (DF250Z-DF200Z)
        • ΡΑΒΔΟΣ ΤΑΧΥΤΗΤΩΝ (DF250T-DF200T)
        • ΣΑΣΜΑΝ / ΓΡΑΝΑΖΙΑ (DF250T-DF200T)
        • ΣΑΣΜΑΝ / ΓΡΑΝΑΖΙΑ (DF250Z-DF200Z)
        • ΜΙΖΑ
        • ΒΟΛΑΝ / ΠΗΝΙΟ
        • ΑΝΟΡΘΩΤΗΣ / ΜΠΟΥΖΟΠΙΠΕΣ
        • ΑΙΣΘΗΤΗΡΕΣ
        • ΠΛΕΞΟΥΔΑ
        • ΡΕΛΕ ΤΡΙΜ / ΕΓΚΕΦΑΛΟΣ (ECU)
        • ΜΠΡΑΚΕΤΟ (1)
        • ΜΠΡΑΚΕΤΟ (2)
        • ΚΟΛΩΝΑ ΤΙΜΟΝΙΟΥ (1)
        • ΚΟΛΩΝΑ ΤΙΜΟΝΙΟΥ (2)
      •   DF200AP/DF175AP/DF150AP
        • ΑΝΑΛΩΣΙΜΑ ΑΝΤΑΛΛΑΚΤΙΚΑ (DF200AP/DF175AP/DF150AP)
        • ΔΙΑΦΟΡΑ ΑΝΤΑΛΛΑΚΤΙΚΑ (DF200AP/DF175AP/DF150AP)
        • ΚΥΛΙΝΔΡΟΚΕΦΑΛΗ
        • ΜΠΛΟΚ
        • ΣΤΡΟΦΑΛΟΣ
        • ΑΝΤΙΒΑΡΟ
        • ΚΑΔΕΝΑ ΕΚΚΕΝΤΡΟΦΟΡΟΥ
        • ΕΚΚΕΝΤΡΟΦΟΡΟΣ (DF200AP)
        • ΕΚΚΕΝΤΡΟΦΟΡΟΣ (DF175AP)
        • ΕΚΚΕΝΤΡΟΦΟΡΟΣ (DF175AP)
        • ΕΙΣΑΓΩΓΗ
        • ΚΑΛΥΜΜΑ ΒΟΛΑΝ
        • ΚΑΠΑΚΙ ΕΞΑΓΩΓΗΣ
        • ΔΟΧΕΙΟ ΚΑΥΣΙΜΟΥ / ΑΝΤΛΙΑΣ
        • ΜΠΕΚΙΕΡΑ
        • ΤΡΟΜΠΑ ΒΕΝΖΙΝΗΣ / ΦΙΛΤΡΟ ΒΕΝΖΙΝΗΣ
        • ΑΝΤΛΙΑ ΝΕΡΟΥ
        • ΘΕΡΜΟΣΤΑΤΗΣ
        • ΑΝΤΛΙΑ ΛΑΔΙΟΥ
        • ΦΙΛΤΡΟ ΛΑΔΙΟΥ
        • ΡΑΒΔΟΣ ΤΑΧΥΤΗΤΩΝ
        • ΡΑΒΔΟΣ ΤΑΧΥΤΗΤΩΝ
        • ΣΑΣΜΑΝ / ΓΡΑΝΑΖΙΑ
        • ΜΙΖΑ
        • ΒΟΛΑΝ / ΠΗΝΙΟ
        • ΑΝΟΡΘΩΤΗΣ / ΜΠΟΥΖΟΠΙΠΕΣ
        • ΑΙΣΘΗΤΗΡΕΣ
        • ΠΛΕΞΟΥΔΑ
        • ΡΕΛΕ ΤΡΙΜ / ΕΓΚΕΦΑΛΟΣ (ECU) / DF200AP
        • ΡΕΛΕ ΤΡΙΜ / ΕΓΚΕΦΑΛΟΣ (ECU) / DF175AP
        • ΡΕΛΕ ΤΡΙΜ / ΕΓΚΕΦΑΛΟΣ (ECU) / DF150AP
        • ΣΗΣΤΗΜΑ KEY LESS (ΠΡΟΑΙΡΕΤΙΚΑ)
        • ΜΠΡΑΚΕΤΟ
        • ΚΟΛΩΝΑ ΤΙΜΟΝΙΟΥ
        • ΤΡΙΜ
        • ΜΟΤΕΡ ΤΡΙΜ
        • ΠΛΑΚΑ ΜΠΛΟΚ
        • ΦΩΛΙΑ ΠΟΔΙΟΥ / ΑΞΟΝΑ
        • ΚΕΛΥΦΟΣ ΠΟΔΙΟΥ
        • ΠΛΑΙΝΑ ΠΛΑΣΤΙΚΑ / ΛΕΚΑΝΗ
        • ΠΡΟΣΤΑΤΕΥΤΙΚΟ ΚΑΠΑΚΙ ΜΗΧΑΝΗΣ "ΜΑΥΡΟ" / DF200AP
        • ΠΡΟΣΤΑΤΕΥΤΙΚΟ ΚΑΠΑΚΙ ΜΗΧΑΝΗΣ "ΜΑΥΡΟ" / DF175AP
        • ΠΡΟΣΤΑΤΕΥΤΙΚΟ ΚΑΠΑΚΙ ΜΗΧΑΝΗΣ "ΜΑΥΡΟ" / DF150AP
        • ΠΡΟΣΤΑΤΕΥΤΙΚΟ ΚΑΠΑΚΙ ΜΗΧΑΝΗΣ "ΛΕΥΚΟ" / DF200AP
        • ΠΡΟΣΤΑΤΕΥΤΙΚΟ ΚΑΠΑΚΙ ΜΗΧΑΝΗΣ "ΛΕΥΚΟ" / DF175AP
        • ΠΡΟΣΤΑΤΕΥΤΙΚΟ ΚΑΠΑΚΙ ΜΗΧΑΝΗΣ "ΛΕΥΚΟ" / DF150AP
        • ΠΟΥΑΡ ΒΕΝΖΙΝΗΣ
        • ΧΕΙΡΙΣΤΗΡΙΟ (ΠΛΑΙΝΟ)
        • ΠΛΕΞΟΥΔΑ (ΠΡΟΑΙΡΕΤΙΚΑ 1)
        • ΠΛΕΞΟΥΔΑ (ΠΡΟΑΙΡΕΤΙΚΑ 2)
        • ΔΙΑΚΟΠΤΕΣ
        • ΣΗΣΤΗΜΑ KEY LESS (ΠΡΟΑΙΡΕΤΙΚΑ)
        • ΧΕΙΡΙΣΤΗΡΙΟ ΔΙΠΛΟ (ΠΡΟΑΙΡΕΤΙΚΑ)
        • ΧΕΙΡΙΣΤΗΡΙΟ ΜΟΝΟ
        • ΦΛΑΝΤΖΕΣ ΣΕΤ
        • ΟΡΓΑΝΑ ΜΗΧΑΝΗΣ
        • ΟΡΓΑΝΑ ΜΗΧΑΝΗΣ (2)
      •   DF200A/DF175A/DF150A
        • ΑΝΑΛΩΣΙΜΑ ΑΝΤΑΛΛΑΚΤΙΚΑ (DF200A/DF175A/DF150A)
        • ΔΙΑΦΟΡΑ ΑΝΤΑΛΛΑΚΤΙΚΑ (DF200A/DF175A/DF150A)
        • ΣΑΣΜΑΝ / ΓΡΑΝΑΖΙΑ
      •   DF175/DF150
        • ΑΝΑΛΩΣΙΜΑ ΑΝΤΑΛΛΑΚΤΙΚΑ (DF175/DF150)
        • ΔΙΑΦΟΡΑ ΑΝΤΑΛΛΑΚΤΙΚΑ (DF175/DF150)
        • ΣΑΣΜΑΝ / ΓΡΑΝΑΖΙΑ
        • ΠΡΟΣΤΑΤΕΥΤΙΚΟ ΚΑΠΑΚΙ ΜΗΧΑΝΗΣ
      •   DF140B/DF115B
        • ΑΝΑΛΩΣΙΜΑ ΑΝΤΑΛΛΑΚΤΙΚΑ (DF140B/DF115B)
        • ΔΙΑΦΟΡΑ ΑΝΤΑΛΛΑΚΤΙΚΑ (DF140B/DF115B)
      •   DF140A/DF115A/DF100A
        • ΑΝΑΛΩΣΙΜΑ ΑΝΤΑΛΛΑΚΤΙΚΑ (DF140A/DF115A/DF100A)
        • ΔΙΑΦΟΡΑ ΑΝΤΑΛΛΑΚΤΙΚΑ (DF140A/DF115A/DF100A)
      •   DF140/DF115/DF100
        • ΑΝΑΛΩΣΙΜΑ ΑΝΤΑΛΛΑΚΤΙΚΑ (DF140/DF115/DF100)
        • ΔΙΑΦΟΡΑ ΑΝΤΑΛΛΑΚΤΙΚΑ (DF140/DF115/DF100)
        • ΚΥΛΙΝΔΡΟΚΕΦΑΛΗ
        • ΜΠΛΟΚ
        • ΚΑΛΥΜΜΑ ΒΟΛΑΝ
        • ΣΤΡΟΦΑΛΟΣ
        • ΚΑΔΕΝΑ ΕΚΚΕΝΤΡΟΦΟΡΟΥ
        • ΕΚΚΕΝΤΡΟΦΟΡΟΣ (DF140)
        • ΕΚΚΕΝΤΡΟΦΟΡΟΣ (DF115 - DF90)
        • ΕΙΣΑΓΩΓΗ
        • ΔΟΧΕΙΟ ΚΑΥΣΙΜΟΥ / ΑΝΤΛΙΑΣ (1)
        • ΔΟΧΕΙΟ ΚΑΥΣΙΜΟΥ / ΑΝΤΛΙΑΣ (2)
      •   DF100B/DF90A/DF80A/DF70A
        • ΑΝΑΛΩΣΙΜΑ ΑΝΤΑΛΛΑΚΤΙΚΑ (DF100B/DF90A/DF80A/DF70A)
        • ΔΙΑΦΟΡΑ ΑΝΤΑΛΛΑΚΤΙΚΑ (DF100B/DF90A/DF80A/DF70A)
      •   DF90/DF80/DF70
        • ΑΝΑΛΩΣΙΜΑ ΑΝΤΑΛΛΑΚΤΙΚΑ (DF90/DF80/DF70)
        • ΔΙΑΦΟΡΑ ΑΝΤΑΛΛΑΚΤΙΚΑ (DF90/DF80/DF70)
      •   DF60A/DF50A/DF40A
        • ΑΝΑΛΩΣΙΜΑ ΑΝΤΑΛΛΑΚΤΙΚΑ (DF60A/DF50A/DF40A)
        • ΔΙΑΦΟΡΑ ΑΝΤΑΛΛΑΚΤΙΚΑ (DF60A/DF50A/DF40A)
      •   DF60
        • ΑΝΑΛΩΣΙΜΑ ΑΝΤΑΛΛΑΚΤΙΚΑ (DF60)
        • ΔΙΑΦΟΡΑ ΑΝΤΑΛΛΑΚΤΙΚΑ (DF60)
      •   DF50/DF40
        • ΑΝΑΛΩΣΙΜΑ ΑΝΤΑΛΛΑΚΤΙΚΑ (DF50/DF40)
        • ΔΙΑΦΟΡΑ ΑΝΤΑΛΛΑΚΤΙΚΑ (DF50/DF40)
      •   DF30A/DF25A
        • ΑΝΑΛΩΣΙΜΑ ΑΝΤΑΛΛΑΚΤΙΚΑ (DF30A/DF25A)
        • ΔΙΑΦΟΡΑ ΑΝΤΑΛΛΑΚΤΙΚΑ (DF30A/DF25A)
        • ΣΑΣΜΑΝ / ΓΡΑΝΑΖΙΑ
      •   DF30/DF25
        • ΑΝΑΛΩΣΙΜΑ ΑΝΤΑΛΛΑΚΤΙΚΑ (DF30/DF25)
        • ΔΙΑΦΟΡΑ ΑΝΤΑΛΛΑΚΤΙΚΑ (DF30/DF25)
        • ΣΑΣΜΑΝ / ΓΡΑΝΑΖΙΑ
      •   DF25 V-TWIN
        • ΑΝΑΛΩΣΙΜΑ ΑΝΤΑΛΛΑΚΤΙΚΑ (DF25 V-TWIN)
        • ΔΙΑΦΟΡΑ ΑΝΤΑΛΛΑΚΤΙΚΑ (DF25 V-TWIN)
        • ΣΑΣΜΑΝ / ΓΡΑΝΑΖΙΑ
      •   DF20A/DF15A/DF9.9B
        • ΑΝΑΛΩΣΙΜΑ ΑΝΤΑΛΛΑΚΤΙΚΑ (DF20A/DF15A/DF9.9B)
        • ΔΙΑΦΟΡΑ ΑΝΤΑΛΛΑΚΤΙΚΑ (DF20A/DF15A/DF9.9B)
      •   DF15/DF9.9
        • ΑΝΑΛΩΣΙΜΑ ΑΝΤΑΛΛΑΚΤΙΚΑ (DF15/DF9.9)
        • ΔΙΑΦΟΡΑ ΑΝΤΑΛΛΑΚΤΙΚΑ (DF15/DF9.9)
      •   DF9.9A/DF8A
        • ΑΝΑΛΩΣΙΜΑ ΑΝΤΑΛΛΑΚΤΙΚΑ (DF9.9A/DF8A)
        • ΔΙΑΦΟΡΑ ΑΝΤΑΛΛΑΚΤΙΚΑ (DF9.9A/DF8A)
      •   DF6A/DF5A/DF4A (17-20)
        • ΑΝΑΛΩΣΙΜΑ ΑΝΤΑΛΛΑΚΤΙΚΑ (DF6A/DF5A/DF4A)
        • ΔΙΑΦΟΡΑ ΑΝΤΑΛΛΑΚΤΙΚΑ (DF6A/DF5A/DF4A)
      •   DF6/DF5/DF4 (03-16)
        • ΑΝΑΛΩΣΙΜΑ ΑΝΤΑΛΛΑΚΤΙΚΑ (DF6/DF5/DF4)
        • ΔΙΑΦΟΡΑ ΑΝΤΑΛΛΑΚΤΙΚΑ (DF6/DF5/DF4)
      •   DF2.5 (06-21)
        • ΑΝΑΛΩΣΙΜΑ ΑΝΤΑΛΛΑΚΤΙΚΑ (DF2.5)
        • ΔΙΑΦΟΡΑ ΑΝΤΑΛΛΑΚΤΙΚΑ (DF2.5)
      • DT MODELS (2-STROKE)
    •   HONDA MARINE
      •   BF350
        • ΑΝΑΛΩΣΙΜΑ ΑΝΤΑΛΛΑΚΤΙΚΑ (BF350)
        • ΔΙΑΦΟΡΑ ΑΝΤΑΛΛΑΚΤΙΚΑ (BF350)
      •   BF250/BF225/BF200/BF175
        • ΑΝΑΛΩΣΙΜΑ ΑΝΤΑΛΛΑΚΤΙΚΑ (BF250/BF225/BF200)
        • ΔΙΑΦΟΡΑ ΑΝΤΑΛΛΑΚΤΙΚΑ (BF250/BF225/BF200)
      •   BF150/BF140/BF135/BF115
        • ΑΝΑΛΩΣΙΜΑ ΑΝΤΑΛΛΑΚΤΙΚΑ (BF150/BF140/BF115)
        • ΔΙΑΦΟΡΑ ΑΝΤΑΛΛΑΚΤΙΚΑ (BF150/BF140/BF115)
      •   BF100/BF90/BF75
        • ΑΝΑΛΩΣΙΜΑ ΑΝΤΑΛΛΑΚΤΙΚΑ (BF100/BF90/BF75)
        • ΔΙΑΦΟΡΑ ΑΝΤΑΛΛΑΚΤΙΚΑ (BF100/BF90/BF75)
      •   BF60
        • ΑΝΑΛΩΣΙΜΑ ΑΝΤΑΛΛΑΚΤΙΚΑ (BF60)
        • ΔΙΑΦΟΡΑ ΑΝΤΑΛΛΑΚΤΙΚΑ (BF60)
      •   BF50/BF40
        • ΔΙΑΦΟΡΑ ΑΝΤΑΛΛΑΚΤΙΚΑ (BF50/BF40)
        • ΔΙΑΦΟΡΑ ΑΝΤΑΛΛΑΚΤΙΚΑ (BF50/BF40)
      •   BF30/BF25
        • ΑΝΑΛΩΣΙΜΑ ΑΝΤΑΛΛΑΚΤΙΚΑ (BF30/BF25)
        • ΔΙΑΦΟΡΑ ΑΝΤΑΛΛΑΚΤΙΚΑ (BF30/BF25)
      •   BF20/BF15
        • ΑΝΑΛΩΣΙΜΑ ΑΝΤΑΛΛΑΚΤΙΚΑ (BF20/BF15)
        • ΔΙΑΦΟΡΑ ΑΝΤΑΛΛΑΚΤΙΚΑ (BF20/BF15)
      •   BF10
        • ΑΝΑΛΩΣΙΜΑ ΑΝΤΑΛΛΑΚΤΙΚΑ (BF10)
        • ΔΙΑΦΟΡΑ ΑΝΤΑΛΛΑΚΤΙΚΑ (BF10)
      •   BF9.9/BF8
        • ΑΝΑΛΩΣΙΜΑ ΑΝΤΑΛΛΑΚΤΙΚΑ (BF9.9/BF8)
        • ΔΙΑΦΟΡΑ ΑΝΤΑΛΛΑΚΤΙΚΑ (BF9.9/BF8)
      •   BF6/BF5/BF4
        • ΑΝΑΛΩΣΙΜΑ ΑΝΤΑΛΛΑΚΤΙΚΑ (BF6/BF5/BF4)
        • ΔΙΑΦΟΡΑ ΑΝΤΑΛΛΑΚΤΙΚΑ (BF6/BF5/BF4)
      •   BF2.3
        • ΑΝΑΛΩΣΙΜΑ ΑΝΤΑΛΛΑΚΤΙΚΑ (BF2.3)
        • ΔΙΑΦΟΡΑ ΑΝΤΑΛΛΑΚΤΙΚΑ (BF2.3)
    •   TOHATSU
      •   MFS140/MFS115/MFS100/MFS90/MFS75
        • ΑΝΑΛΩΣΙΜΑ ΑΝΤΑΛΛΑΚΤΙΚΑ (MFS140 - MFS75)
        • ΔΙΑΦΟΡΑ ΑΝΤΑΛΛΑΚΤΙΚΑ (MFS140 - MFS75)
      •   MFS60/MFS50/MFS40
        • ΑΝΑΛΩΣΙΜΑ ΑΝΤΑΛΛΑΚΤΙΚΑ (MFS60/MFS50/MFS40)
        • ΔΙΑΦΟΡΑ ΑΝΤΑΛΛΑΚΤΙΚΑ (MFS60/MFS50/MFS40)
        • ΣΑΣΜΑΝ / ΓΡΑΝΑΖΙΑ
      •   MFS30/MFS25
        • ΑΝΑΛΩΣΙΜΑ ΑΝΤΑΛΛΑΚΤΙΚΑ (MFS30/MFS25)
        • ΔΙΑΦΟΡΑ ΑΝΤΑΛΛΑΚΤΙΚΑ (MFS30/MFS25)
      •   MFS20/MFS18/MFS15/MFS9.9
        • ΑΝΑΛΩΣΙΜΑ ΑΝΤΑΛΛΑΚΤΙΚΑ (MFS20 - MFS9.9)
        • ΔΙΑΦΟΡΑ ΑΝΤΑΛΛΑΚΤΙΚΑ (MFS20 - MFS9.9)
      •   MFS9.8/MFS8/MFS6
        • ΑΝΑΛΩΣΙΜΑ ΑΝΤΑΛΛΑΚΤΙΚΑ (MFS9.8/MFS8/MFS6)
        • ΔΙΑΦΟΡΑ ΑΝΤΑΛΛΑΚΤΙΚΑ (MFS9.8/MFS8/MFS6)
      •   MFS6/MFS5/MFS4
        • ΑΝΑΛΩΣΙΜΑ ΑΝΤΑΛΛΑΚΤΙΚΑ (MFS6/MFS5/MFS4)
        • ΔΙΑΦΟΡΑ ΑΝΤΑΛΛΑΚΤΙΚΑ (MFS6/MFS5/MFS4)
      •   MFS3.5/MFS2.5/MFS2
        • ΑΝΑΛΩΣΙΜΑ ΑΝΤΑΛΛΑΚΤΙΚΑ (MFS3.5/MFS2.5/MFS2)
        • ΔΙΑΦΟΡΑ ΑΝΤΑΛΛΑΚΤΙΚΑ (MFS3.5/MFS2.5/MFS2)
      •   MD115 (TLDI)
        • ΑΝΑΛΩΣΙΜΑ ΑΝΤΑΛΛΑΚΤΙΚΑ (MD115)
        • ΔΙΑΦΟΡΑ ΑΝΤΑΛΛΑΚΤΙΚΑ (MD115)
      •   MD90/MD75/MD70 (TLDI)
        • ΑΝΑΛΩΣΙΜΑ ΑΝΤΑΛΛΑΚΤΙΚΑ (MD90/MD75/MD70)
        • ΔΙΑΦΟΡΑ ΑΝΤΑΛΛΑΚΤΙΚΑ (MD90/MDF75/MD70)
      •   MD50/MD40/MD30 (TLDI)
        • ΑΝΑΛΩΣΙΜΑ ΑΝΤΑΛΛΑΚΤΙΚΑ (MD50/MD40/MD30)
        • ΔΙΑΦΟΡΑ ΑΝΤΑΛΛΑΚΤΙΚΑ (MD50/MD40/MD30)
        • ΜΠΛΟΚ - MD50B2
        • ΜΠΛΟΚ - MD50B
        • ΜΠΛΟΚ - MD50A
        • ΠΙΣΤΟΝI / ΣΤΡΟΦΑΛΟΣ - MD50B2
        • ΠΙΣΤΟΝΙ / ΣΤΡΟΦΑΛΟΣ - MD50B
        • ΠΙΣΤΟΝΙ / ΣΤΡΟΦΑΛΟΣ - MD50A
        • ΦΙΛΤΡΟΚΟΥΤΙ - MD50B2
        • ΦΙΛΤΡΟΚΟΥΤΙ - MD50B
        • ΦΙΛΤΡΟΚΟΥΤΙ - MD50A
        • ΕΙΣΑΓΩΓΗ ΑΕΡΑ / ΒΕΝΖΙΝΗΣ - MD50B2
        • ΕΙΣΑΓΩΓΗ ΑΕΡΑ / ΒΕΝΖΙΝΗΣ - MD50B
        • ΕΙΣΑΓΩΓΗ ΑΕΡΑ / ΒΕΝΖΙΝΗΣ - MD50A
        • ΚΟΜΠΡΕΣΟΡΑΣ - MD50B2
        • ΚΟΜΠΡΕΣΟΡΑΣ - MD50B
        • ΚΟΜΠΡΕΣΟΡΑΣ - MD50A
        • ΔΟΧΕΙΟ ΑΝΤΛΙΑΣ ΒΕΝΖΙΝΗΣ "HP" - MD50B2
        • ΔΟΧΕΙΟ ΑΝΤΛΙΑΣ ΒΕΝΖΙΝΗΣ "HP" - MD50B
        • ΔΟΧΕΙΟ ΑΝΤΛΙΑΣ ΒΕΝΖΙΝΗΣ "HP" - MD50A
        • ΣΥΣΤΗΜΑ ΓΚΑΖΙΟΥ - MD50B2
        • ΣΥΣΤΗΜΑ ΓΚΑΖΙΟΥ - MD50B
        • ΣΥΣΤΗΜΑ ΓΚΑΖΙΟΥ - MD50A
        • ΔΟΧΕΙΟ ΒΕΝΖΙΝΗΣ / ΣΥΣΤ. ΚΑΥΣΙΜΟΥ - MD50B2
        • ΔΟΧΕΙΟ ΒΕΝΖΙΝΗΣ / ΣΥΣΤ. ΚΑΥΣΙΜΟΥ - MD50B
        • ΔΟΧΕΙΟ ΒΕΝΖΙΝΗΣ / ΣΥΣΤ. ΚΑΥΣΙΜΟΥ - MD50A
        • ΒΟΛΑΝ / ΠΗΝΙΟ - MD50B2
        • ΒΟΛΑΝ / ΠΗΝΙΟ - MD50B
        • ΒΟΛΑΝ / ΠΗΝΙΟ - MD50A
        • ΗΛΕΚΤΡΙΚΑ 1 - MD50B2
        • ΗΛΕΚΤΡΙΚΑ 1 - MD50B
        • ΗΛΕΚΤΡΙΚΑ 1 - MD50A
      •   M140A (2-Stroke)
        • ΑΝΑΛΩΣΙΜΑ ΑΝΤΑΛΛΑΚΤΙΚΑ (M140)
        • ΔΙΑΦΟΡΑ ΑΝΤΑΛΛΑΚΤΙΚΑ (M140)
      •   M120/M115A (2-Stroke)
        • ΑΝΑΛΩΣΙΜΑ ΑΝΤΑΛΛΑΚΤΙΚΑ (M120/M115)
        • ΔΙΑΦΟΡΑ ΑΝΤΑΛΛΑΚΤΙΚΑ (M120/M115)
      •   M90A (2-Stroke)
        • ΑΝΑΛΩΣΙΜΑ ΑΝΤΑΛΛΑΚΤΙΚΑ (M90/M80)
        • ΔΙΑΦΟΡΑ ΑΝΤΑΛΛΑΚΤΙΚΑ (M90/M80)
      •   M70C/M60C (2-Stroke)
        • ΑΝΑΛΩΣΙΜΑ ΑΝΤΑΛΛΑΚΤΙΚΑ (M70/M60)
        • ΔΙΑΦΟΡΑ ΑΝΤΑΛΛΑΚΤΙΚΑ (M70/M60)
      •   M50D2/M40D2 (2-Stroke)
        • ΑΝΑΛΩΣΙΜΑ ΑΝΤΑΛΛΑΚΤΙΚΑ (M50/M40)
        • ΔΙΑΦΟΡΑ ΑΝΤΑΛΛΑΚΤΙΚΑ (M50/M40)
      •   M30/M25 (2-Stroke)
        • ΑΝΑΛΩΣΙΜΑ ΑΝΤΑΛΛΑΚΤΙΚΑ (M30/M25)
        • ΔΙΑΦΟΡΑ ΑΝΤΑΛΛΑΚΤΙΚΑ (M30/M25)
        • ΜΠΛΟΚ
        • ΠΙΣΤΟΝΙ / ΣΤΡΟΦΑΛΟΣ
        • ΕΙΣΑΓΩΓΗ - ΡΙΝΤΙΕΡΑ
        • ΚΑΡΜΠΥΡΑΤΕΡ
        • ΤΡΟΜΠΑ ΒΕΝΖΙΝΗΣ
        • ΒΟΛΑΝ / ΠΗΝΙΟ
        • ΣΥΣΤΗΜΑ ΓΚΑΖΙΟΥ
        • ΛΑΓΟΥΔΕΡΑ
        • ΚΟΡΔΟΝΙΕΡΑ
        • ΑΣΦΑΛΙΣΗ ΕΚΚΙΝΗΣΗΣ
        • ΦΩΛΙΑ ΠΟΔΙΟΥ - ΚΕΛΥΦΟΣ ΠΟΔΙΟΥ
        • ΣΑΣΜΑΝ - ΑΝΤΛΙΑ ΝΕΡΟΥ
        • ΕΠΙΛΟΓΕΑΣ ΤΑΧΥΤΗΤΩΝ
        • ΜΠΡΑΚΕΤΟ
        • ΑΣΦΑΛΙΣΗ ΜΠΡΑΚΕΤΟΥ
        • ΠΡΟΣΤΑΤΕΥΤΙΚΟ ΚΑΠΑΚΙ ΜΗΧΑΝΗΣ
        • ΤΕΠΟΖΙΤΟ ΒΕΝΖΙΝΗΣ - ΑΞΕΣΟΥΑΡ
        • ΧΕΙΡΙΣΤΗΡΙΟ - ΝΤΙΖΕΣ
        • ΗΛΕΤΡΙΚΑ - ΜΙΖΑ
        • ΗΛΕΚΤΡΙΚΑ 1 - ΜΙΖΑ
        • ΑΞΕΣΟΥΑΡ 1
        • ΑΞΕΣΟΥΑΡ 2
        • ΣΕΤ / ΜΕΡΗ ΜΗΧΑΝΗΣ
      •   M18/M15/M9.9 (2-Stroke)
        • ΑΝΑΛΩΣΙΜΑ ΑΝΤΑΛΛΑΚΤΙΚΑ (M18/M15/M9.9)
        • ΔΙΑΦΟΡΑ ΑΝΤΑΛΛΑΚΤΙΚΑ (M18/M15/M9.9)
      •   M9.8/M8/M6 (2-Stroke)
        • ΑΝΑΛΩΣΙΜΑ ΑΝΤΑΛΛΑΚΤΙΚΑ (M9.8/M8/M6)
        • ΔΙΑΦΟΡΑ ΑΝΤΑΛΛΑΚΤΙΚΑ (M9.8/M8/M6)
      •   M5/M4 (2-Stroke)
        • ΑΝΑΛΩΣΙΜΑ ΑΝΤΑΛΛΑΚΤΙΚΑ (M5/M4)
        • ΔΙΑΦΟΡΑ ΑΝΤΑΛΛΑΚΤΙΚΑ (M5/M4)
      •   M3.5/M2.5 (2-Stroke)
        • ΑΝΑΛΩΣΙΜΑ ΑΝΤΑΛΛΑΚΤΙΚΑ (M3.5/M2.5)
        • ΔΙΑΦΟΡΑ ΑΝΤΑΛΛΑΚΤΙΚΑ (M3.5/M2.5)
    •   YAMAHA MARINE
      •   F450 / F425
        • ΑΝΑΛΩΣΙΜΑ ΑΝΤΑΛΛΑΚΤΙΚΑ (F450/F425)
        • ΔΙΑΦΟΡΑ ΑΝΤΑΛΛΑΚΤΙΚΑ (F450/F425)
      •   F350/F300/F250/F225
        • ΑΝΑΛΩΣΙΜΑ ΑΝΤΑΛΛΑΚΤΙΚΑ (F350/F300/F250/F225)
        • ΔΙΑΦΟΡΑ ΑΝΤΑΛΛΑΚΤΙΚΑ (F350/F300/F250/F225)
      •   F200/F175/F150
        • ΑΝΑΛΩΣΙΜΑ ΑΝΤΑΛΛΑΚΤΙΚΑ (F200/F175/F150)
        • ΔΙΑΦΟΡΑ ΑΝΤΑΛΛΑΚΤΙΚΑ (F200/F175/F150)
      •   F130/F115/F100/F90/F80/F75
        • ΑΝΑΛΩΣΙΜΑ ΑΝΤΑΛΛΑΚΤΙΚΑ (F130 - F75)
        • ΔΙΑΦΟΡΑ ΑΝΤΑΛΛΑΚΤΙΚΑ (F130 - F75)
      •   F70/F60/F50
        • ΑΝΑΛΩΣΙΜΑ ΑΝΤΑΛΛΑΚΤΙΚΑ (F70/F60/F50)
        • ΔΙΑΦΟΡΑ ΑΝΤΑΛΛΑΚΤΙΚΑ (F70/F60/F50)
      •   F40/F30
        • ΑΝΑΛΩΣΙΜΑ ΑΝΤΑΛΛΑΚΤΙΚΑ (F40/F30)
        • ΔΙΑΦΟΡΑ ΑΝΤΑΛΛΑΚΤΙΚΑ (F40/F30)
      •   F25/F20
        • ΑΝΑΛΩΣΙΜΑ ΑΝΤΑΛΛΑΚΤΙΚΑ (F25/F20)
        • ΔΙΑΦΟΡΑ ΑΝΤΑΛΛΑΚΤΙΚΑ (F25/F20)
      •   F15
        • ΑΝΑΛΩΣΙΜΑ ΑΝΤΑΛΛΑΚΤΙΚΑ (F15)
        • ΔΙΑΦΟΡΑ ΑΝΤΑΛΛΑΚΤΙΚΑ (F15)
      •   F9.9/F8
        • ΑΝΑΛΩΣΙΜΑ ΑΝΤΑΛΛΑΚΤΙΚΑ (F9.9/F8)
        • ΔΙΑΦΟΡΑ ΑΝΤΑΛΛΑΚΤΙΚΑ (F9.9/F8)
      •   F6/F5/F4
        • ΑΝΑΛΩΣΙΜΑ ΑΝΤΑΛΛΑΚΤΙΚΑ (F6/F5/F4)
        • ΔΙΑΦΟΡΑ ΑΝΤΑΛΛΑΚΤΙΚΑ (F6/F5/F4)
      •   F2.5/F2
        • ΑΝΑΛΩΣΙΜΑ ΑΝΤΑΛΛΑΚΤΙΚΑ (F2.5/F2)
        • ΔΙΑΦΟΡΑ ΑΝΤΑΛΛΑΚΤΙΚΑ (F2.5/F2)
      •   ΔΙΧΡΟΝΑ ΜΟΝΤΕΛΑ
        • ΑΝΑΛΩΣΙΜΑ ΑΝΤΑΛΛΑΚΤΙΚΑ (ΔΙΧΡΟΝΑ ΜΟΝΤΕΛΑ)
        • ΔΙΑΦΟΡΑ ΑΝΤΑΛΛΑΚΤΙΚΑ (ΔΙΧΡΟΝΑ ΜΟΝΤΕΛΑ)
    •   MERCURY
      •   VERADO 350 - 200 (L6)
        • ΔΙΑΦΟΡΑ ΑΝΤΑΛΛΑΚΤΙΚΑ (VERADO 350 - 200 L6)
      •   VERADO 200 - 135 (L4)
        • ΔΙΑΦΟΡΑ ΑΝΤΑΛΛΑΚΤΙΚΑ (VERADO 200-135 L4)
  • Εσωλεμβιες Μηχανες
  •   ΕΞΟΠΛΙΣΜΟΣ ΣΚΑΦΟΥΣ
    • ΥΔΑΤΟΠΑΓΙΔΕΣ
    • ΣΦΙΓΚΤΗΡΕΣ ΑΥΤΙΟΥ (S304)
    • ΦΛΑΠΣ
search clear
  1. Αρχική
  2. Ανταλλακτικά
  3. DF250/DF225/DF200 (04-14)

DF250/DF225/DF200 (04-14)

MODEL YEARS 2004 up to 2014

ΑΝΑΛΩΣΙΜΑ ΑΝΤΑΛΛΑΚΤΙΚΑ (DF250/DF225/DF200)

ΔΙΑΦΟΡΑ ΑΝΤΑΛΛΑΚΤΙΚΑ (DF250/DF225/DF200)

ΤΡΙΜ (L)

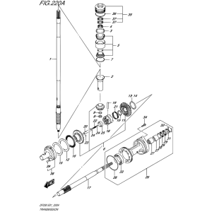
ΣΑΣΜΑΝ / ΓΡΑΝΑΖΙΑ

ΚΥΛΙΝΔΡΟΚΕΦΑΛΗ

ΜΠΛΟΚ

ΣΤΡΟΦΑΛΟΣ

ΚΑΔΕΝΑ ΕΚΚΕΝΤΡΟΦΟΡΟΥ

ΕΚΚΕΝΤΡΟΦΟΡΟΣ (DF250)

ΕΚΚΕΝΤΡΟΦΟΡΟΣ (DF225 - DF200)

ΕΙΣΑΓΩΓΗ

ΦΙΛΤΡΟΚΟΥΤΙ

ΚΑΛΥΜΜΑ ΒΟΛΑΝ

ΚΑΠΑΚΙ ΕΞΑΓΩΓΗΣ

ΜΠΕΚΙΕΡΑ

ΔΟΧΕΙΟ ΚΑΥΣΙΜΟΥ / ΑΝΤΛΙΑΣ (1)

ΔΟΧΕΙΟ ΚΑΥΣΙΜΟΥ / ΑΝΤΛΙΑΣ (2)

ΑΝΤΛΙΑ ΝΕΡΟΥ

ΘΕΡΜΟΣΤΑΤΗΣ

ΠΕΤΑΛΟΥΔΑ ΓΚΑΖΙΟΥ (DF200)

ΠΕΤΑΛΟΥΔΑ ΓΚΑΖΙΟΥ (DF250-DF225)

ΝΤΙΖΕΣ ΓΚΑΖΙΟΥ

ΑΝΤΛΙΑ ΛΑΔΙΟΥ

ΚΑΡΤΕΡ

ΑΞΟΝΑΣ ΤΑΧΥΤΗΤΩΝ

ΡΑΒΔΟΣ ΤΑΧΥΤΗΤΩΝ (DF250Z-DF200Z)

ΡΑΒΔΟΣ ΤΑΧΥΤΗΤΩΝ (DF250T-DF200T)

ΣΑΣΜΑΝ / ΓΡΑΝΑΖΙΑ (DF250T-DF200T)

ΣΑΣΜΑΝ / ΓΡΑΝΑΖΙΑ (DF250Z-DF200Z)

ΜΙΖΑ

ΒΟΛΑΝ / ΠΗΝΙΟ

ΑΝΟΡΘΩΤΗΣ / ΜΠΟΥΖΟΠΙΠΕΣ

ΑΙΣΘΗΤΗΡΕΣ

ΠΛΕΞΟΥΔΑ

ΡΕΛΕ ΤΡΙΜ / ΕΓΚΕΦΑΛΟΣ (ECU)

ΜΠΡΑΚΕΤΟ (1)

ΜΠΡΑΚΕΤΟ (2)

ΚΟΛΩΝΑ ΤΙΜΟΝΙΟΥ (1)

ΚΟΛΩΝΑ ΤΙΜΟΝΙΟΥ (2)

Μάθετε τα τελευταία νέα μας και ειδικές προσφορές

Μπορείτε να ακυρώσετε την εγγραφή σας στο ενημερωτικό δελτίο οποτεδήποτε. Για να δείτε πώς, ανατρέξτε στα στοιχεία επικοινωνίας στην Ανακοίνωση Νομικού Περιεχομένου.

Προϊόντα

Προϊόντα  
  • Πτώση τιμών
  • Νέα προϊόντα
  • Καλύτερες πωλήσεις

Η εταιρία μας

Η εταιρία μας  
  • Tρόποι Αποστολής
  • Όροι Χρήσης
  • Σχετικά με μας
  • Επικοινωνήστε μαζί μας

Ο λογαριασμός σας

Ο λογαριασμός σας  
  • Προσωπικές πληροφορίες
  • Παραγγελίες
  • Πιστωτικά δελτία
  • Διευθύνσεις
  • Κουπόνια
  • Οι ειδοποιήσεις μου
ΣΤΟΙΧΕΙΑ ΕΠΙΚΟΙΝΩΝΙΑΣ keyboard_arrow_down keyboard_arrow_up

ΣΤΟΙΧΕΙΑ ΕΠΙΚΟΙΝΩΝΙΑΣ

Boat Spare Parts

Διεύθυνση: Ροδόπης 2,
Bοτανικός 11855,
Αθήνα - Ελλάδα
Αριθμός Γ.Ε.Μ.Η.: 168845403000
Σταθερό : 210 34 54 151
Κινητό : 698 196 0107
Email : boatparts@boatparts.gr
Βρείτε μας στο Facebook

Payments